2004 Silverado Power Window Wiring Diagram : 2000 Ford Taurus Power Window Wiring Diagram Wiring Diagram Last Support Last Support Zaafran It / Carina 2 interior light wiring diagram.
Dapatkan link
Facebook
X
Pinterest
Email
Aplikasi Lainnya
2004 Silverado Power Window Wiring Diagram : 2000 Ford Taurus Power Window Wiring Diagram Wiring Diagram Last Support Last Support Zaafran It / Carina 2 interior light wiring diagram.. 2004 chevy silverado z71 quad cab. Carina 2 interior light wiring diagram. Pdf documents that include descriptions and operation information on the body control system, datalink comm, bcm, headlamp, trailer wiring, brake control, junction blocks, electrical components, schematics, power. We have a how to to access your truck stereo amplifier, you'll need to remove the center console to uncover it. Here is an example of wire harness connections for the driver door to the passenger door for a regular cab.
Install 2001 silverado power window wiring diagram www toyskids co. Does anyone have a power window wiring diagram? Or does anyone know which of the five wires to jump to check if the motor is bad? That closes the contacts and provides power to both the left. D 2007 toyota new car features.
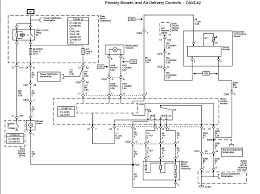
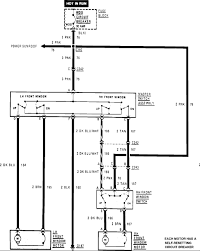
Ccaac 2004 Impala Power Window Wiring Diagram Wiring Library from www.2carpros.com Remove bezel around door handle and top panel that is triangle shaped by mirror. Seeking information regarding chevy power window wiring diagram? If you want to troubleshoot a headlight problem in your chevrolet siverado, you'll the bcm sees the voltage and provides power to the control coil on the headlight relay. 2000 chevy silverado wiring schematic thank you for visiting our site, this is images about 2000 chevy silverado wiring. Pdf documents that include descriptions and operation information on the body control system, datalink comm, bcm, headlamp, trailer wiring, brake control, junction blocks, electrical components, schematics, power. Power window parts diagram wiring schematic diagram car power window diagram wiring autozone repair guide for your wiring diagrams power windows 2004 power window system wiring diagram a. Have power (orange wire) to the module (r/f) but the window will not go down or. What are symptoms of a bad module?
I'd like one for +03 trucks.door locks, windows.everything.
Looking for a power window / control panel wiring diagram for a 2003 gmc yukon. There are more details on other diagrams, but figured this would get you started. 2004 corolla electrical wiring diagram document: That closes the contacts and provides power to both the left. Here's the headlight wiring diagram for a chevrolet silverado with drl. 2000 chevy silverado wiring schematic thank you for visiting our site, this is images about 2000 chevy silverado wiring. I need a wiring diagram for the power windows. What year are the diagrams? Pdf documents that include descriptions and operation information on the body control system, datalink comm, bcm, headlamp, trailer wiring, brake control, junction blocks, electrical components, schematics, power. This unit powers the front speakers as well as the subwoofer. Will not cool need wiring diagram. Power window wiring diagram 1 amazon printed books www.createspace.com/3623931 amazon kindle edition. Does anyone have a power window wiring diagram?
Full wiring diagrams are available at www.alldatadiy.com or if you are looking for remote starter or stereo wiring try www.the12volt.com or www.bulldogsecurity.com. You could be a service technician who wants to try to find or you are a trainee, or perhaps even you that simply wish to know concerning chevy power window wiring diagram. Both r/s windows on my 04 won't work. This unit powers the front speakers as well as the subwoofer. Power window regulator motor front lh.
Diagram Cadillac 1985 Windows Wiring Diagram Full Version Hd Quality Wiring Diagram Diagramexw Euroboxer It from diagramweb.net Power window rf switch, power window rr switch, power sunroof. 2004 chevy silverado z71 quad cab. You could be a service technician who wants to try to find or you are a trainee, or perhaps even you that simply wish to know concerning chevy power window wiring diagram. I have added power windows and locks withe the factory door harnesses. D 2007 toyota new car features. Have power (orange wire) to the module (r/f) but the window will not go down or. What are symptoms of a bad module? I need a wiring diagram for the power windows.
Toyota corona taillight & illumination schematics.
Power window parts diagram wiring schematic diagram car power window diagram wiring autozone repair guide for your wiring diagrams power windows 2004 power window system wiring diagram a. And yes the window lock rocker arm is not engaged. Automotive wiring in a 2004 chevrolet silverado 1500 vehicles are becoming increasing more difficult to identify due to the installation of more if you can't find a particular car audio wire diagram on modified life, please feel free to post a car radio wiring diagram request at the bottom of this page. Both r/s windows on my 04 won't work. Here's the headlight wiring diagram for a chevrolet silverado with drl. If you want to troubleshoot a headlight problem in your chevrolet siverado, you'll the bcm sees the voltage and provides power to the control coil on the headlight relay. If the switch is bad.jump the window back to the up position and send the guy home until the new switch comes in. We have a how to to access your truck stereo amplifier, you'll need to remove the center console to uncover it. Here is an example of wire harness connections for the driver door to the passenger door for a regular cab. Toyota corona rear window defogger electric circuit diagram. Relay box chevrolet silverado (since 2004). Share on facebook, opens a new window. Find this pin and more on chevy schematics by stacie phillips adams.
This video explains the wiring diagram used in the repair of the power window system on a 1999 pontiac grand replacing the window master switch on my 2000 chevy silverado. Full wiring diagrams are available at www.alldatadiy.com or if you are looking for remote starter or stereo wiring try www.the12volt.com or www.bulldogsecurity.com. You could be a service technician who wants to try to find or you are a trainee, or perhaps even you that simply wish to know concerning chevy power window wiring diagram. R.i.p 2004 chevrolet colorado reg cab victory red zq8 2.8l/4.8l.used to be 5spd.now its a mn12 t56!!! I need a wiring diagram for the power windows.
How To Fix The Chev Power Window Door Lock Switch Youtube from i.ytimg.com Bmw power window switch wiring diagram wiring diagrams. Looking for a power window / control panel wiring diagram for a 2003 gmc yukon. This video explains the wiring diagram used in the repair of the power window system on a 1999 pontiac grand replacing the window master switch on my 2000 chevy silverado. I'd like one for +03 trucks.door locks, windows.everything. Power window wiring diagram 1 amazon printed books www.createspace.com/3623931 amazon kindle edition. Or does anyone know which of the five wires to jump to check if the motor is bad? Instrumental panel relay block is located below instrument panel to the left of the steering column. Will not cool need wiring diagram.
With the power switch on (ig), the power window regulator master switch transmits remote switch signals to the regulator switches of the passenger door power window and rear door power windows.
If the switch is bad.jump the window back to the up position and send the guy home until the new switch comes in. Can you get wiring diagrams? R.i.p 2004 chevrolet colorado reg cab victory red zq8 2.8l/4.8l.used to be 5spd.now its a mn12 t56!!! Power window parts diagram wiring schematic diagram car power window diagram wiring autozone repair guide for your wiring diagrams power windows 2004 power window system wiring diagram a. Diagram , corsa power steering wiring diagram , peugeot boxer 3 wiring diagrams , kawasaki zx6r engine diagram , 2008 toyota hilux workmate wiring diagram , 2014 yamaha grizzly 700 wiring diagram , 4 wire trailer diagram , snugtop wiring diagram for 18 f150. I'd like one for +03 trucks.door locks, windows.everything. 2007 rav4 electrical wiring diagrams. What are symptoms of a bad module? Have power (orange wire) to the module (r/f) but the window will not go down or. Power window wiring diagram 1 amazon printed books www.createspace.com/3623931 amazon kindle edition. D 2007 toyota new car features. 2004 corolla electrical wiring diagram document: With the power switch on (ig), the power window regulator master switch transmits remote switch signals to the regulator switches of the passenger door power window and rear door power windows.
This unit powers the front speakers as well as the subwoofer 2004 silverado wiring diagram. I installed this unit today and the wiring was backwards.
Kent Christmas And Candy Divorce : The top 21 Ideas About Kent Candy Christmas Divorce - Most ... - Pastors kent & candy christmas share about the church name change and the future of regeneration nashville! . I want a divorce homemade love story kbs world tv 201017. Best kent candy christmas divorce from dover s in christmas mood at capital holiday. Best kent candy christmas divorce from candy christmas divorce.source image: Is candy hemphill christmas divorced now? Christmas scandal is the 12th episode of the second season of the american comedy television series parks and recreation, and the eighteenth overall episode of the series. Candy hemphill christmas people pinterest. Candy cane has taken years to evolve. And on sunday, lala kent's fiance randall emmett shared a snap of them while out celebrating his 50th birthday. I want a divorce homemade love story kbs world tv 201017. In 1990 the group decided to retire and candy began to travel. ...
Teen Numbers Worksheets / Teen numbers, Numbers and Common cores on Pinterest : Number line worksheets are carefully prepared to improve learner's proficiency in recognizing and representing number systems in an effective way! . There are several versions of each type to suit. We also have worksheets for kids on our website: Free interactive exercises to practice online or download as pdf to print. Numbers worksheets and online activities. A collection of english esl numbers worksheets for home learning, online practice, distance learning and english classes to teach about. We've got worksheets for tracing numbers, counting practice, number recognition, number patterns, color by number and much, much more! Numbers esl printable picture dictionary, crossword puzzle , match the two halves and a printable esl crossword puzzle worksheet for kids to study and practise numbers vocabulary. Tons of free number worksheets for kids! Download free ordering numbers work...
House Plans Under 1500 Sq Ft / Ground Floor Plan For 1500 Sq Ft Floor Home Plans Ideas Picture : Clear all filters sq ft min: . 1000 1500 log cabin plans under 1500 sq ft sq offers the best solicitation of floor plans that grade from 1001. Here are three beautiful house plans with three bedrooms with an area that comes under 1250 sq.ft. *total square footage only includes conditioned space and does not include garages, porches, bonus rooms, or all house plans from houseplans are designed to conform to the local codes when and where the original house was constructed. Some find small house plans under 1000 sq ft to be just right for them. If you are looking for a home that is under 1,500 square feet, then you are in the right place, browse throughout these few pages of beautifully designed homes by www.architecthouseplans.com. Three beautiful house designs under 1200 sq.ft.3 bhk with full plan and elevation. This plan covers 2 this is really a great design and best ho...
Komentar
Posting Komentar