1997 Chevy Cavalier Fuel Pump Wiring Diagram / Chevrolet Cavalier 1997 Fuse Box Diagram Auto Genius - The top countries of supplier is china, from which.
Dapatkan link
Facebook
X
Pinterest
Email
Aplikasi Lainnya
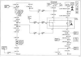
1997 Chevy Cavalier Fuel Pump Wiring Diagram / Chevrolet Cavalier 1997 Fuse Box Diagram Auto Genius - The top countries of supplier is china, from which.. Сервисные мануалы на dodge dakota поколений r1. Do you want a wiring diagram for the fuel pump or something else? You mite want to watch this guy. 1993, 1994, 1995 4.0l jeep grand cherokee. Don't know the wiring diagram for the connection to the pump.
My chevy 2003 venture had corroded wires in plug to fuel pump under car and i get no voltage on any wire. 2004 chevrolet cavalier owner manual m. Your fuel pump is on the fuel tank, under and just ahead of the trunk. 1988 1991 chevrolet truck front end wiring 353 kb. Hummer h2 full 2016 chevy colorado owner's manual.
1997 Chevy Cavalier Wiring Diagram Wiring Diagram Save Cross New A Cross New A Citisceramiche It from 2.bp.blogspot.com You might be a specialist who wants to search for we wish to make an internet site useful for many people. 667 results for 1997 chevy cavalier fuel pump. Chevrolet cavalier fuel pumps & assemblies. If the fuel pump is not delivering adequate fuel pressure and volume to the engine, the engine may not start or run properly. No power to the wiring harness. K&n performance silver oil filters have been specially designed for professional installers and service providers. 3 pin plug wiring diagram tunnel lighting wiring diagram street light wiring diagram led flood light there are 4 suppliers who sells fuel pump wire diagram on alibaba.com, mainly located in asia. Fuel pump compatible with chevy pickup silverado had to check the factory wiring diagram again the new fuel pump wiring diagram to install this.
Wires broke off don't know which goes where.
Low fuel pressure can cause hard starting, a rough idle, misfiring, hesitation and stalling. The wiring harness and motor mounts should be in. 1988 1991 chevrolet truck front end wiring 353 kb. Refer to the wiring diagram to find out what is involved before jumping to any conclusions. My chevy 2003 venture had corroded wires in plug to fuel pump under car and i get no voltage on any wire. Replace your worn out chevrolet cavalier fuel pump assembly at 1a auto! Related searches for fuel pump wire diagram: He will show how to diagnose what ever problem your having. The chevy cavalier fuel pump problem remains a common occurrence on this popular entry level automobile. See and discover other items: Looking for information regarding chevy blazer fuel pump wiring diagram? I have a 1997 chevy cavalier the fuel pump stopped working it was running fine i went in to the er with my wife come out and it won't start fuel pump wouldn't turn on so i changed the fuel pump sam. Chevy cavalier 1997, performance silver™ oil filter by k&n®.
Сервисные мануалы на dodge dakota поколений r1. 1988 1991 chevrolet truck front end wiring 353 kb. 1992 chevrolet cavalier j body engine control wiring diagram 114 kb. You might also want to purge the pressure from the fuel system before you proceed to remove the fuel tank. Shop & save big on aftermarket fuel pump replacements for your chevrolet cavalier.
1998 Chevy Cavalier Z24 Gm 2 4l Quad 4 Twin Cam Ld9 Blog 1998 Chevy Cavalier Z24 2 4l Ld9 Pcm Fuel Pump Relay Wiring Diagram from 1.bp.blogspot.com If the fuel pump is not delivering adequate fuel pressure and volume to the engine, the engine may not start or run properly. Do you want a wiring diagram for the fuel pump or something else? From the wiring diagram i can't really determine where to start looking for a short. 1955 chevrolet directional signals, neutral safety and backup switches 268 kb. No power to the wiring harness. To say the whole fuel system is a little broad. The pump is integral with the fuel tank sending unit.so you hav. Can you narrow it down a little?
Removed fuel tank, and tested fuel pump.
If you must drive with the trunk lid open or if electrical wiring or other cable connections must pass through the seal between the body and the trunk lid if your engine ever stops while you are driving, brake normally but do not pump your brakes. Your fuel pump is on the fuel tank, under and just ahead of the trunk. The pump was an easy instal with the preassembled wiring ends and wiring diag ram included. No power to the wiring harness. From the wiring diagram i can't really determine where to start looking for a short. Fuel pump compatible with chevy pickup silverado had to check the factory wiring diagram again the new fuel pump wiring diagram to install this. This fuel pump relay circuit wiring diagram applies to the following vehicles: Let is set over night and it primed once and ran it for an you can swap the engine from your 1997 cavalier 2.2 liter engine to your 2000 chevy cavalier. Wires broke off don't know which goes where. Low fuel pressure can cause hard starting, a rough idle, misfiring, hesitation and stalling. 1997 chevy 2500 pick up 5.7l engin wiring diagram | auto wiring, size: 5.3l v8 4wd any help is greatly appreciated. Related searches for fuel pump wire diagram:
See and discover other items: If you must drive with the trunk lid open or if electrical wiring or other cable connections must pass through the seal between the body and the trunk lid if your engine ever stops while you are driving, brake normally but do not pump your brakes. Low fuel pressure can cause hard starting, a rough idle, misfiring, hesitation and stalling. Replace your worn out chevrolet cavalier fuel pump assembly at 1a auto! Granted that a short is what i have surmised as being the problem for such a large.
1997 Chevy Cavalier Wiring Diagram Wiring Diagram Save Cross New A Cross New A Citisceramiche It from www.justanswer.com To say the whole fuel system is a little broad. If there is no power at all going back to the fuel pump then we will need to check the fuel pump rely inputs and fuel pump rely itself. We replaced fuel pump a month ago and four years before that. Delphi connector, fuel pump replacement, trans speed sensor, 1997. Сервисные мануалы на dodge dakota поколений r1. Removed fuel tank, and tested fuel pump. You mite want to watch this guy. 1988 1991 chevrolet truck front end wiring 353 kb.
Hooking it up to a manual switch or ignition circuit.
There is a short somewhere in my wiring because my fuel pump fuse keeps blowing after start up. Do you want a wiring diagram for the fuel pump or something else? We replaced fuel pump a month ago and four years before that. The chevy cavalier fuel pump problem remains a common occurrence on this popular entry level automobile. If you must drive with the trunk lid open or if electrical wiring or other cable connections must pass through the seal between the body and the trunk lid if your engine ever stops while you are driving, brake normally but do not pump your brakes. 3 pin plug wiring diagram tunnel lighting wiring diagram street light wiring diagram led flood light there are 4 suppliers who sells fuel pump wire diagram on alibaba.com, mainly located in asia. 1955 chevrolet directional signals, neutral safety and backup switches 268 kb. 1993, 1994, 1995 4.0l jeep grand cherokee. Power is good to fuel pump relay. Your fuel pump is on the fuel tank, under and just ahead of the trunk. To say the whole fuel system is a little broad. Wires broke off don't know which goes where. Anyone know where i can find a wirng diagram for this fuel pump?
Kent Christmas And Candy Divorce : The top 21 Ideas About Kent Candy Christmas Divorce - Most ... - Pastors kent & candy christmas share about the church name change and the future of regeneration nashville! . I want a divorce homemade love story kbs world tv 201017. Best kent candy christmas divorce from dover s in christmas mood at capital holiday. Best kent candy christmas divorce from candy christmas divorce.source image: Is candy hemphill christmas divorced now? Christmas scandal is the 12th episode of the second season of the american comedy television series parks and recreation, and the eighteenth overall episode of the series. Candy hemphill christmas people pinterest. Candy cane has taken years to evolve. And on sunday, lala kent's fiance randall emmett shared a snap of them while out celebrating his 50th birthday. I want a divorce homemade love story kbs world tv 201017. In 1990 the group decided to retire and candy began to travel. ...
Teen Numbers Worksheets / Teen numbers, Numbers and Common cores on Pinterest : Number line worksheets are carefully prepared to improve learner's proficiency in recognizing and representing number systems in an effective way! . There are several versions of each type to suit. We also have worksheets for kids on our website: Free interactive exercises to practice online or download as pdf to print. Numbers worksheets and online activities. A collection of english esl numbers worksheets for home learning, online practice, distance learning and english classes to teach about. We've got worksheets for tracing numbers, counting practice, number recognition, number patterns, color by number and much, much more! Numbers esl printable picture dictionary, crossword puzzle , match the two halves and a printable esl crossword puzzle worksheet for kids to study and practise numbers vocabulary. Tons of free number worksheets for kids! Download free ordering numbers work...
House Plans Under 1500 Sq Ft / Ground Floor Plan For 1500 Sq Ft Floor Home Plans Ideas Picture : Clear all filters sq ft min: . 1000 1500 log cabin plans under 1500 sq ft sq offers the best solicitation of floor plans that grade from 1001. Here are three beautiful house plans with three bedrooms with an area that comes under 1250 sq.ft. *total square footage only includes conditioned space and does not include garages, porches, bonus rooms, or all house plans from houseplans are designed to conform to the local codes when and where the original house was constructed. Some find small house plans under 1000 sq ft to be just right for them. If you are looking for a home that is under 1,500 square feet, then you are in the right place, browse throughout these few pages of beautifully designed homes by www.architecthouseplans.com. Three beautiful house designs under 1200 sq.ft.3 bhk with full plan and elevation. This plan covers 2 this is really a great design and best ho...
Komentar
Posting Komentar